Магазин и адрес
Режим работы
Телефон
Доступность
Кишинев
Магазин 4elements Кишинев ➥Центр
ул. Митрополит Петру Мовилэ 41А
Пн-Пт: 9:00-17:30 Суббота: 9:00-13:30 Воскресенье: Выходной
+373 (22) 85 85 88 +373 (68) 16 17 19
Нет в наличии
Склад Ecosanteh SRL Кишинев ➥Чеканы
ул. Михаил Садовяну 42/7 (Территория АГАТ) Склад "Ecosanteh SRL"
Пн-Пт: 9:00-17:30 Суббота: 9:00-13:30 Воскресенье: Выходной
+373 (60) 07 47 82 +373 (22) 85 98 09
Нет в наличии
Тирасполь
Магазин 4elements ➥Тирасполь
г. Тирасполь ул. переулок Суклейский 23
Пн-Пт: 8:30-17:30 Сб - Вс: Выходной
+373 (777) 44 177
Нет в наличии
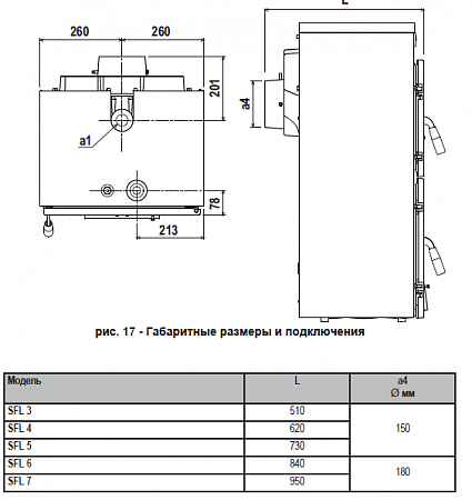
Твердотопливный котел 32 кВт Ferroli SFL 4
Отзывы не найдены
Войдите в учётную запись, чтобы мы могли сообщить вам об ответе







